Complete Gusset Pack
Complete Gusset Pack
Couldn't load pickup availability
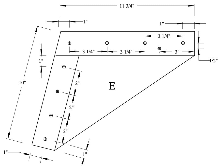
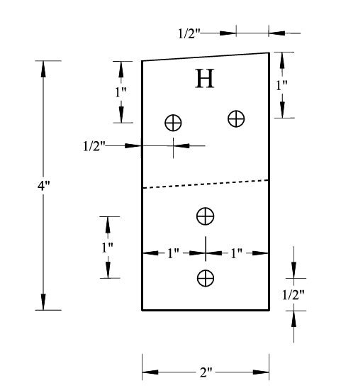
Introducing our Time-Saving Lite Fuselage Frame Gussets!
Say goodbye to the painstaking task of handcrafting fuselage frame gussets! All 20 fuselage frame gussets are pre-cut and drilled 3/16, offered in two variations: .090 ultralight 1X2 tail boom frame and .090 LSA all 2X2 frame.
The .090" gussets have been successfully used and proven on TA-1 with over 3 years of testing. Combined with AN3 hardware, they save almost 9 lbs. of weight off your build.
Crafted to perfection, and made on demand for you, these gussets are meticulously designed to fit seamlessly into your build, saving you valuable time, weight, and effort. We understand that time is money, which is why we offer this hassle-free solution to streamline your construction process.
Don't let labor-intensive tasks slow you down. Upgrade to our premade set of fuselage frame gussets and experience the ease of precision engineering. Order yours today and accelerate your project to new heights!
Use the drop-down menu above to select your choice.
Share


















